ハイドロチャック

マパール社

ハイドロチャック

新開発のハイドロクランプシステムは、優れた安定性と精度により高い切削条件を可能にします。自励振動を最小限に抑えることでクランプされた工具が微振動にさらされることを防ぎます。これによりスピンドル負荷が最大15%低減され、工具寿命が大幅に延長、最適な仕上げ面が保証されます。

さらに、マパールが特別に開発した研磨工程により作り出された光沢のある表面により、チャックの汚れや腐食に対する体制が向上します。ユーザーはわずかな力で安全に工具をチャックにクランプすることが出来ます。これは「フールプルーフ・ハンドリング」すなわち簡単でわかりやすいチャックの取り扱いが保証されます。

デザインの特徴

画像
理論的な発想-生体工学に基づく形状
-システム全体の安定性と精度の向上
-工具の変異が少ない
-工具の刃先が常に安定
-材料の使用を最小限に抑えて軽量化
-チャックとツールマガジンをセットする際に手によくフィット
-自励振動を最小限に抑制
-工具の微振動を抑制
画像
ポリッシュを施した表面
-腐食および汚れに対する最大限の耐性
-コンパクトな本体による最高のバランス品質
画像
青色のクランプネジ | 操作説明用マーキング
-クランプネジの割り当てを明確にし、クランプネジの締め付けトルクを最大70%削減することで容易な操作が可能
-重要な機能および製品情報を明確に表示

仕様

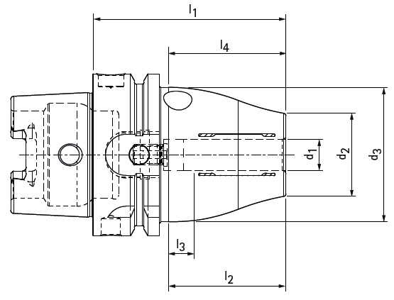
UNIQ® Mill Chuck, HA
UNIQ® Mill Chuck, HA
軸方向工具長調整機能付き
DIN 69893-1準拠
UNIQ® Mill Chuck, HA
軸方向工具長調整機構付き
ISO 7388-1 フォーム AD/AF に準拠
UNIQ® Mill Chuck, HA
軸方向工具長調整機構付き
ISO 7388-2 形式 JD/JF (JIS B 6339) 準拠
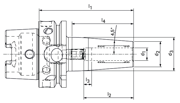
UNIQ® Mill Chuck, HA
軸方向工具長調整機構付き
ISO 7388-2 形式 JD/JF (JIS B 6339)に準拠 BTシャンク
UNIQ® Mill Chuck, HA
軸方向工具長調整機構付き
ASME B5.50-1994 準拠 「CAT」シャンク
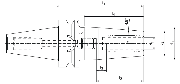
UNIQ® DReaM Chuck, 4.5°
UNIQ® DReaM Chuck, 4.5°
軸方向工具長調整機構付き
DIN 69893-1 準拠
UNIQ® DReaM Chuck, 4.5°
軸方向工具長調整機構付き
ISO 7388-1 フォーム AD/AF 準拠
UNIQ® DReaM Chuck, 4.5°
軸方向工具長調整機構付き
ISO 7388-2 BT JD/JF (JIS B 6339) 準拠
UNIQ® DReaM Chuck, 4.5°
軸方向工具長調整機構付き
ASME B5.50-1994 「CAT」準拠
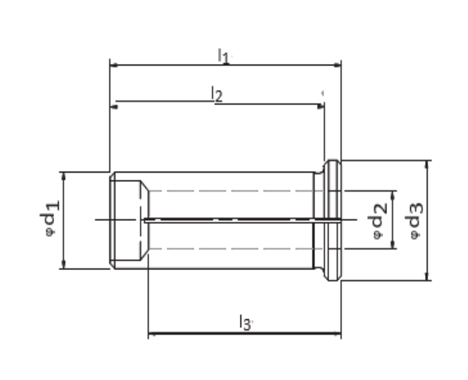
アクセサリ ストレートコレット
ストレートコレット
・メカニカルシール機構(センタースルークーラント対応)
・高品質焼入れバネ鋼の採用により、最大 80bar までの耐圧構造
・振れ精度:最大 3 ミクロン
寸法・仕様表はこちら

動画

カタログダウンロード

関連資料